Überspannungsableiter Typ 2 DEHNguard M 4-polig Uc 275V mit ACI-Technologie
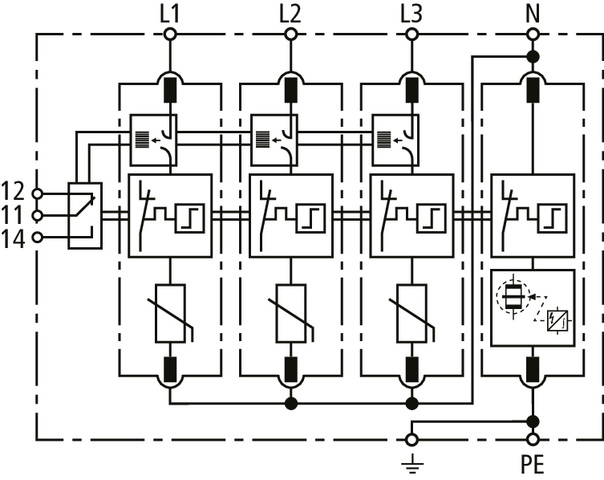
Mehrpoliger Überspannungsableiter DEHNguard M ACI, Typ 2 nach EN 61643-11 mit integrierte ACI-Schalter-/Funkenstrecken - Kombination, bestehend aus Basisteil und gesteckten Schutzmodulen. Hohe Gerätesicherheit durch Ableiterüberwachung mit Thermo-Dynamik-Control. Zum Schutz von Niederspannungs-Verbraucheranlagen vor Überspannungen. Zum Einsatz im Blitz-Schutzzonen-Konzept an den Schnittstellen 0B – 1 und höher.
Produktkennzeichen
SKU: 952341
EAN: 4013364376632
GTIN: 4013364376632
MPN: DG M TT ACI 275 FM
*Auf Anfrage verfügbar - bitte in den Warenkorb legen, um Verfügbarkeit zu prüfen
Kategorien
Eigenschaften
|
Baugröße
|
4 TE
|
|
Montageart
|
Hutschiene TH35
|
|
Netzform DC
|
Nein
|
|
Netzform IT
|
Nein
|
|
Netzform TN
|
Nein
|
|
Netzform TT
|
Ja
|
|
Schutzpegel
|
-
|
|
Leckstromfrei
|
Ja
|
|
Netzform TN-C
|
Nein
|
|
Netzform TN-S
|
Ja
|
|
Schutzart (IP)
|
IP20
|
|
Nennspannung AC
|
230
|
|
Nennspannung DC
|
-
|
|
Netzform TN-C-S
|
Nein
|
|
Schutzpegel L-N
|
1.5
|
|
Max. PV-Spannung
|
-
|
|
Schutzpegel N-PE
|
1.5
|
|
Netzform sonstige
|
Nein
|
|
Prüfklasse Typ 2
|
Ja
|
|
Mit Fernmeldekontakt
|
Ja
|
|
Integrierte Vorsicherung
|
Ja
|
|
Signalisierung am Gerät
|
optisch
|
|
Höchste Dauerspannung AC
|
275
|
|
Höchste Dauerspannung DC
|
-
|
|
Nennableitstoßstrom (8/20)
|
20
|
|
Max. Ableitstoßstrom (8/20)
|
-
|
|
Anzahl der Leiter (ohne Erde)
|
4
|
|
Kurzschlussfestigkeit (Isccr)
|
25
|
|
Integrierter Kurzschlussschutz
|
Nein
|
|
Max. Leiterquerschnitt flexibel (feindrähtig)
|
25
|
|
Max. Leiterquerschnitt starr (ein-/mehrdrähtig)
|
35
|
|
Integrierter Kurzschlussschutz selektiv zur Sicherung gG
|
-
|
|
Max. Überstromschutzeinrichtung V-Verdrahtung (Sicherung)
|
-
|
|
Max. Überstromschutzeinrichtung Stichverdrahtung (Sicherung)
|
-
|