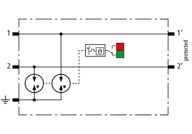
Kompakter BS-Ableiter für 2 Einzeladern BLITZDUCTORconnect mit Defektanzeige
Platzsparender, kompakter Blitzstrom-Ableiter in 6 mm Baubreite und Push-in Anschlusstechnik mit Statusanzeige zum Schutz von 2 Einzeladern für den Blitzschutz-Potentialausgleich sowie die Ausführung einer indirekten Erdung geschirmter Leitungen.
Produktkennzeichen
SKU: 927910
EAN: 4013364411739
GTIN: 4013364411739
MPN: BCO CL2 B 180
*Auf Anfrage verfügbar - bitte in den Warenkorb legen, um Verfügbarkeit zu prüfen
Kategorien
Eigenschaften
|
Frequenz
|
|
|
Montageart
|
Hutschiene TH35
|
|
Anschluss 1
|
Klemme
|
|
Schutzpegel
|
-
|
|
Grenzfrequenz
|
300
|
|
Nennlaststrom
|
1.2
|
|
Nennspannung AC
|
-
|
|
Nennspannung DC
|
180
|
|
Ableiterüberwachung
|
Ja
|
|
Mit Fernmeldekontakt
|
Nein
|
|
Schutzpegel Ader/Ader
|
1100
|
|
Schutzpegel Ader/Erde
|
800
|
|
Signalisierung am Gerät
|
optisch
|
|
Höchste Dauerspannung AC
|
127
|
|
Höchste Dauerspannung DC
|
180
|
|
Nennableitstoßstrom (8/20)
|
10
|
|
Blitzstoßstrom (10/350 µs)
|
3
|
|
Schutzpegel Ader/Signalground
|
-
|
|
Explosionsgeprüfte Ausführung
|
Nein
|
|
Schutzpegel Signalground/Protectiveground
|
-
|