Controller BACnet/IP 4. Generation 2 x ETHERNET, SD-Karten-Steckplatz
Controller BACnet/IP; 4. Generation; 2 x ETHERNET, SD-Karten-Steckplatz
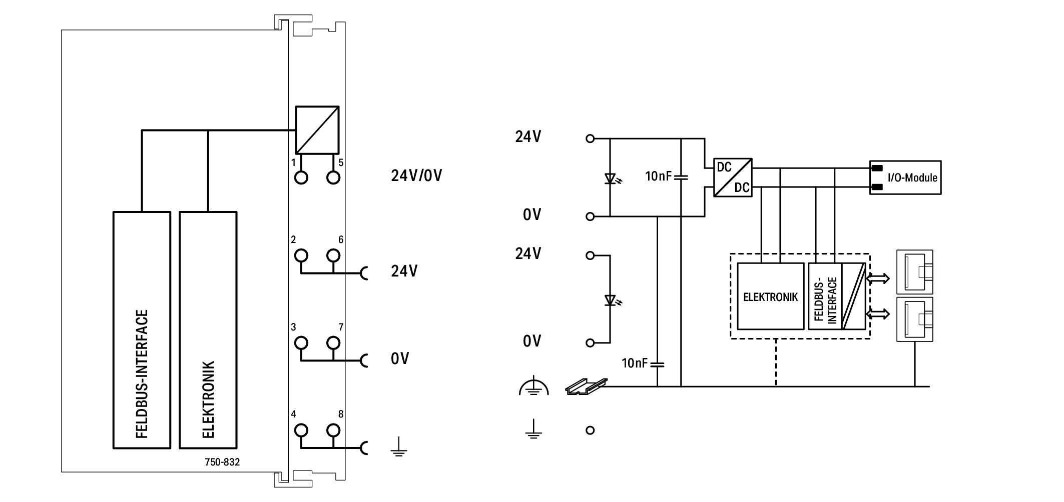
Der BACnet/IP-Controller 750-832 verbindet das WAGO-I/O-SYSTEM mit dem Protokoll BACnet/IP. Der 750-832 entspricht dem BACnet-Device-Profil B-BC gemäß DIN EN ISO 16484-5. Die Kommunikation mit anderen BACnet-Geräten erfolgt über BACnet/IP. Er stellt intern 3 Funktionen bereit: 1. Native Server: Für die an den Controller angeschlossenen Digitaleingangs-/-ausgangsmodule und Analogeingangs-/-ausgangsmodule werden automatisch passende BACnet-Objekte pro Kanal generiert. 2. Application-Server: Weitere, unterstützte BACnet-Objekte können über die IEC-61131-3-Programmierumgebung angelegt und einem BACnet-Netzwerk zur Verfügung gestellt werden. 3. Application-Client: Mit der Client-Funktionalitat ist ein Zugriff auf Objekte und deren Eigenschaften von anderen BACnet-Geräten aus möglich. Die zwei ETHERNET-Schnittstellen und der integrierte Switch ermöglichen die Verdrahtung des Feldbusses in Linientopologie. Zusätzliche Infrastrukturelemente wie Switch oder Hub können somit entfallen. Beide Schnittstellen unterstützen Autonegotiation und Auto-MDI(X). Mit dem DIP-Schalter kann das letzte Byte der IP-Addresse sowie der Bezug der IP-Adresse vorgegeben werden. Ein integrierter Webserver stellt dem Benutzer Konfigurationsmöglichkeiten und Statusinformationen des Controllers zur Verfügung. Das Gerät ist programmierbar gemäß IEC 61131-3, unterstützt Multitasking und verfügt über eine gepufferte Echtzeituhr. Der zur Verfügung stehende Datenspeicher beträgt 8 Mbyte. Der 750-832 stellt einen Steckplatz für ein wechselbares Speichermedium bereit. Mittels einer Speicherkarte können z. B. Geräteparameter, Boot-Projekte und andere Dateien von einem Controller auf einen nächsten übertragen werden. Die Karte steht für Zugriffe mittels FTP als zusätzliches Laufwerk zur Verfügung. Der Controller kann eine maximale Anzahl von 1000 einfachen BACnet-Objekten verarbeiten. Die im Projekt tatsächlich umsetzbare Anzahl kann sich bei komplexen Objekttypen reduzieren. Die Konfiguration und Inbetriebnahme in BACnet-Netzwerken erfolgt mit der Windows-Software WAGO-BACnet-Konfigurator.
Der BACnet/IP-Controller 750-832 verbindet das WAGO-I/O-SYSTEM mit dem Protokoll BACnet/IP. Der 750-832 entspricht dem BACnet-Device-Profil B-BC gemäß DIN EN ISO 16484-5. Die Kommunikation mit anderen BACnet-Geräten erfolgt über BACnet/IP. Er stellt intern 3 Funktionen bereit: 1. Native Server: Für die an den Controller angeschlossenen Digitaleingangs-/-ausgangsmodule und Analogeingangs-/-ausgangsmodule werden automatisch passende BACnet-Objekte pro Kanal generiert. 2. Application-Server: Weitere, unterstützte BACnet-Objekte können über die IEC-61131-3-Programmierumgebung angelegt und einem BACnet-Netzwerk zur Verfügung gestellt werden. 3. Application-Client: Mit der Client-Funktionalitat ist ein Zugriff auf Objekte und deren Eigenschaften von anderen BACnet-Geräten aus möglich. Die zwei ETHERNET-Schnittstellen und der integrierte Switch ermöglichen die Verdrahtung des Feldbusses in Linientopologie. Zusätzliche Infrastrukturelemente wie Switch oder Hub können somit entfallen. Beide Schnittstellen unterstützen Autonegotiation und Auto-MDI(X). Mit dem DIP-Schalter kann das letzte Byte der IP-Addresse sowie der Bezug der IP-Adresse vorgegeben werden. Ein integrierter Webserver stellt dem Benutzer Konfigurationsmöglichkeiten und Statusinformationen des Controllers zur Verfügung. Das Gerät ist programmierbar gemäß IEC 61131-3, unterstützt Multitasking und verfügt über eine gepufferte Echtzeituhr. Der zur Verfügung stehende Datenspeicher beträgt 8 Mbyte. Der 750-832 stellt einen Steckplatz für ein wechselbares Speichermedium bereit. Mittels einer Speicherkarte können z. B. Geräteparameter, Boot-Projekte und andere Dateien von einem Controller auf einen nächsten übertragen werden. Die Karte steht für Zugriffe mittels FTP als zusätzliches Laufwerk zur Verfügung. Der Controller kann eine maximale Anzahl von 1000 einfachen BACnet-Objekten verarbeiten. Die im Projekt tatsächlich umsetzbare Anzahl kann sich bei komplexen Objekttypen reduzieren. Die Konfiguration und Inbetriebnahme in BACnet-Netzwerken erfolgt mit der Windows-Software WAGO-BACnet-Konfigurator.
Produktkennzeichen
SKU: 750-832
EAN: 4055143888561
GTIN: 4055143888561
MPN: 750-832
Treuepunkte:
934
Kategorien
Eigenschaften
|
LTE
|
Nein
|
|
Höhe
|
100
|
|
Tiefe
|
100
|
|
Breite
|
61.5
|
|
Ausführung
|
modular
|
|
Mit Display
|
Nein
|
|
Speicherart
|
RAM
|
|
IO-Link Master
|
Nein
|
|
Speichergröße
|
1024
|
|
Funkstandard GSM
|
Nein
|
|
Systemkomponente
|
Ja
|
|
Funkstandard GPRS
|
Nein
|
|
Funkstandard UMTS
|
Nein
|
|
SIL nach IEC 61508
|
ohne
|
|
Redundanzfähigkeit
|
Nein
|
|
Fronteinbau möglich
|
Nein
|
|
Rack-Montage möglich
|
Nein
|
|
Funkstandard Bluetooth
|
Nein
|
|
Versorgungsspannung DC
|
24 - 24
|
|
Funkstandard WLAN 802.11
|
Nein
|
|
Anzahl der Relaisausgänge
|
-
|
|
Mit optischer Schnittstelle
|
Nein
|
|
Versorgungsspannung AC 50 Hz
|
|
|
Versorgungsspannung AC 60 Hz
|
|
|
Wand-/Direktmontage möglich
|
Nein
|
|
Anzahl der analogen Ausgänge
|
0
|
|
Anzahl der analogen Eingänge
|
0
|
|
Anzahl der digitalen Ausgänge
|
0
|
|
Anzahl der digitalen Eingänge
|
0
|
|
Max. Anzahl der Zeitschaltuhren
|
-
|
|
Unterstützt Protokoll für ASI
|
Nein
|
|
Unterstützt Protokoll für CAN
|
Nein
|
|
Unterstützt Protokoll für KNX
|
Nein
|
|
Unterstützt Protokoll für LON
|
Nein
|
|
Anzahl der HW-Schnittstellen USB
|
0
|
|
Unterstützt Protokoll für DNP3
|
Nein
|
|
Geeignet für Tragschienenmontage
|
Ja
|
|
Anzahl der Schnittstellen PROFINET
|
0
|
|
Unterstützt Protokoll für Modbus
|
Ja
|
|
Unterstützt Protokoll für SERCOS
|
Nein
|
|
Unterstützt Protokoll für TCP/IP
|
Nein
|
|
Explosionsschutz-Kategorie für Gas
|
ATEX Gas-Ex-Schutz, Kat. 3G
|
|
Geeignet für Sicherheitsfunktionen
|
Nein
|
|
Unterstützt Protokoll für SUCONET
|
Nein
|
|
Zugehöriges Betriebsmittel (Ex ia)
|
Nein
|
|
Zugehöriges Betriebsmittel (Ex ib)
|
Nein
|
|
Programmspeichererweiterung möglich
|
Ja
|
|
Spannungsart der Versorgungsspannung
|
DC
|
|
Unterstützt Protokoll für EtherCAT
|
Nein
|
|
Unterstützt Protokoll für INTERBUS
|
Nein
|
|
Unterstützt Protokoll für PROFIBUS
|
Nein
|
|
Anzahl der HW-Schnittstellen Wireless
|
0
|
|
Anzahl der HW-Schnittstellen parallel
|
0
|
|
Anzahl der HW-Schnittstellen sonstige
|
0
|
|
Explosionsschutz-Kategorie für Staub
|
ATEX Staub-Ex-Schutz, Kat. 3D
|
|
Performance Level nach EN ISO 13849-1
|
ohne
|
|
Unterstützt Protokoll für DeviceNet
|
Nein
|
|
Unterstützt Protokoll für IEC 60870
|
Nein
|
|
Unterstützt Protokoll für PROFIsafe
|
Nein
|
|
Bearbeitungszeit (1K, Binäranweisung)
|
-
|
|
Unterstützt Protokoll für EtherNet/IP
|
Nein
|
|
Unterstützt Protokoll für PROFINET IO
|
Nein
|
|
Unterstützt Protokoll für SafetyBUS p
|
Nein
|
|
Unterstützt Protokoll für Data-Highway
|
Nein
|
|
Unterstützt Protokoll für PROFINET CBA
|
Nein
|
|
Anzahl der HW-Schnittstellen seriell RS-232
|
0
|
|
Anzahl der HW-Schnittstellen seriell RS-422
|
0
|
|
Anzahl der HW-Schnittstellen seriell RS-485
|
0
|
|
Unterstützt Protokoll für INTERBUS-Safety
|
Nein
|
|
Unterstützt Protokoll für DeviceNet Safety
|
Nein
|
|
Zertifiziert für UL-Gefahrenbereich Klasse I
|
Ja
|
|
Unterstützt Protokoll für IEC 61850 Ethernet
|
Nein
|
|
Zertifiziert für UL-Gefahrenbereich Klasse II
|
Nein
|
|
Unterstützt Protokoll für Foundation Fieldbus
|
Nein
|
|
Unterstützt Protokoll für sonstige Bussysteme
|
Ja
|
|
Zertifiziert für UL-Gefahrenbereich Division 1
|
Ja
|
|
Zertifiziert für UL-Gefahrenbereich Division 2
|
Nein
|
|
Zertifiziert für UL-Gefahrenbereich Klasse III
|
Nein
|
|
Anzahl der HW-Schnittstellen Industrial Ethernet
|
2
|
|
Zertifiziert für UL-Gefahrenbereich Gruppe D (Propan)
|
Ja
|
|
Unterstützt Protokoll für AS-Interface Safety at Work
|
Nein
|
|
Zertifiziert für UL-Gefahrenbereich Gruppe C (Ethylen)
|
Ja
|
|
Zertifiziert für UL-Gefahrenbereich Gruppe A (Acetylen)
|
Ja
|
|
Zertifiziert für UL-Gefahrenbereich Gruppe B (Wasserstoff)
|
Ja
|
|
Zertifiziert für UL-Gefahrenbereich Gruppe E (Metallstäube)
|
Nein
|
|
Zertifiziert für UL-Gefahrenbereich Gruppe G (nicht leitende Stäube)
|
Nein
|
|
Zertifiziert für UL-Gefahrenbereich Gruppe F (kohlenstoffhaltige Stäube)
|
Nein
|