Übergabemodul RJ-45 mit Leistungskontakten

Übergabemodul RJ-45 mit Leistungskontakten

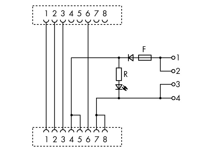
Übergabemodul; RJ-45; mit Leistungskontakten; Leiterplattenklemmen; Cat. 5

Merkmale:

  • Übergabemodul mit RJ-45-Anschluss für Ethernet
  • Passiver PoE-Injektor
  • Für bis zu 100 Mbit/s, Kat. 5
  • Schaltschrankverdrahtung mit vorkonfektionierten RJ-45-Patchkabeln

Produktkennzeichen

SKU: 289-196
EAN: 4055143572637
GTIN: 4055143572637
MPN: 289-196

V+ Treuepunkte:

97


Kategorien

Eigenschaften

Höhe
51
Tiefe
85
Breite
20.5
Polzahl
4
Montageart
Hutschiene TH35
Bemessungsstrom
-
Bemessungsspannung
-
Verschmutzungsgrad
-
Ausführung elektrischer Anschluss, feldseitig
Federzuganschluss
Ausführung elektrischer Anschluss, steuerseitig
RJ45