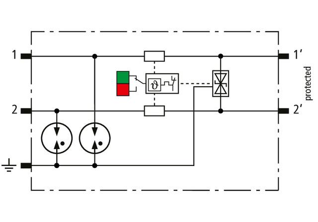
Modularer Kombi-Ableiter für 2 Einzeladern BLITZDUCTORconnect mit Defektanzeige
Platzsparender, modularer Kombi-Ableiter in 6 mm Baubreite und Push-in Anschlusstechnik mit Statusanzeige zum Schutz von 2 Einzeladern hochfrequenter Übertragungen mit gemeinsamen Bezugspotential sowie unsymmetrischer Schnittstellen. Mit Signaltrennung für Wartungszwecke.
Produktkennzeichen
SKU: 927270
EAN: 4013364405653
GTIN: 4013364405653
MPN: BCO ML2 BE HF 5
*Auf Anfrage verfügbar - bitte in den Warenkorb legen, um Verfügbarkeit zu prüfen
Kategorien
Eigenschaften
|
Frequenz
|
|
|
Baubreite
|
6
|
|
Montageart
|
Hutschiene TH35
|
|
Anschluss 1
|
Push-in-Klemme
|
|
Schutzpegel
|
-
|
|
Erdung über
|
Hutschiene
|
|
Grenzfrequenz
|
150
|
|
Nennlaststrom
|
0.75
|
|
Schutzart (IP)
|
IP20
|
|
Nennspannung AC
|
|
|
Nennspannung DC
|
5.0 - 5.0
|
|
Ableiterüberwachung
|
Ja
|
|
Mit Fernmeldekontakt
|
Nein
|
|
Schutzpegel Ader/Ader
|
50
|
|
Schutzpegel Ader/Erde
|
70
|
|
Höchste Dauerspannung AC
|
6
|
|
Höchste Dauerspannung DC
|
8.5
|
|
Nennableitstoßstrom (8/20)
|
10
|
|
Blitzstoßstrom (10/350 µs)
|
3
|
|
Anzahl der Leiter (ohne Erde)
|
2
|
|
Schutzpegel Ader/Signalground
|
-
|
|
Explosionsgeprüfte Ausführung
|
Nein
|
|
Trennmöglichkeit des Signalkreises
|
Ja
|
|
Schutzpegel Signalground/Protectiveground
|
-
|