Veröffentlicht: 26. März 2007
Kategorie: Fachartikel
Anlagen zur Erdung und zum Potentialausgleich sind wie andere elektrische Anlagen und Betriebsmittel bei der Erstprüfung und bei wiederkehrenden Prüfungen durch Besichtigen und Messen zu prüfen.

Zu messen sind unter anderem:
Zur Bewertung der Ergebnisse und für weitere Rückschlüsse auf den Zustand der Erdungsanlage können ebenfalls überschlägig berechnete Ausbreitungswiderstände heranzogen werden, die auf Grundlage der Dokumentation, d. h. der Form und Abmessungen der Erdungsanlage und der spezifischen Erdwiderstände ρE ermittelt werden.
Achtung: Durch Messungen der Durchgängigkeit können nur Unterbrechungen festgestellt werden.
Das Ausmaß von Korrosion kann nur durch Besichtigen ermittelt werden. Dazu ist ein punktuelles Freilegen der Erder durch Probegrabungen unumgänglich!
Bei Erdern können folgende Einflüsse zu einer Korrosion des Materials führen:
Bild 1: Korrosion an Oberflächenerdern
oben - Beschädigung durch starke Korrosion (Einbauzeit unbekannt)
unten - relativ geringe Korrosion
(Einbauzeit ca. 45 Jahre, Verlegetiefe ca. 0,5 m)

Bild 2: Korrosion an einem Tiefenerder
Beschädigung durch starke Korrosion
(Einbauzeit ca. 7 Jahre)
Wie Bild 1 und 2 zeigen, lässt die Dauer der Einbauzeit von Erdern kaum Rückschlüsse auf den Fortschritt der Korrosion zu. Das Ausmaß kann nur durch entsprechende wiederkehrende Prüfungen und Sichtkontrollen nach Probegrabungen beurteilt werden.
- der Ausbreitungswiderstand von Einzelerdern und Teilringerdern (soweit vorhanden),
- der Gesamtausbreitungswiderstand der Erdungsanlage,
- die Übergangswiderstände zur Erdungsanlage an allen Messstellen und Anschlüssen zur Feststellung der Durchgängigkeit der Leitungen und Verbindungen (Richtwert < 1 ) und
- der Durchgang zu allen metallenen Installationen, die mit dem Erdungssystem verbunden sein müssen.
Zur Bewertung der Ergebnisse und für weitere Rückschlüsse auf den Zustand der Erdungsanlage können ebenfalls überschlägig berechnete Ausbreitungswiderstände heranzogen werden, die auf Grundlage der Dokumentation, d. h. der Form und Abmessungen der Erdungsanlage und der spezifischen Erdwiderstände ρE ermittelt werden.
Achtung: Durch Messungen der Durchgängigkeit können nur Unterbrechungen festgestellt werden.
Das Ausmaß von Korrosion kann nur durch Besichtigen ermittelt werden. Dazu ist ein punktuelles Freilegen der Erder durch Probegrabungen unumgänglich!
Bei Erdern können folgende Einflüsse zu einer Korrosion des Materials führen:
- Zutritt von Luftsauerstoff,
- Eigenkorrosion durch chemische Bestandteile im Erdboden,
- Bildung galvanischer Elemente durch den Zusammenschluss von Erdern aus verschiedenen Metallen oder durch unterschiedliche Elektrolyte bei gleichen Werkstoffen sowie
- Streuströme im Erdboden, insbesondere Gleichströme von anderen elektrischen Anlagen.

Bild 1: Korrosion an Oberflächenerdern
oben - Beschädigung durch starke Korrosion (Einbauzeit unbekannt)
unten - relativ geringe Korrosion
(Einbauzeit ca. 45 Jahre, Verlegetiefe ca. 0,5 m)

Bild 2: Korrosion an einem Tiefenerder
Beschädigung durch starke Korrosion
(Einbauzeit ca. 7 Jahre)
Wie Bild 1 und 2 zeigen, lässt die Dauer der Einbauzeit von Erdern kaum Rückschlüsse auf den Fortschritt der Korrosion zu. Das Ausmaß kann nur durch entsprechende wiederkehrende Prüfungen und Sichtkontrollen nach Probegrabungen beurteilt werden.
1. Allgemeines zur Durchführung von Erdungsmessungen
Zur Bestimmung des Ausbreitungswiderstandes RA einer Erdungsanlage müssen vorher alle Verbindungen an den Messstellen, am Potentialausgleich und zu sonstigen leitfähigen Systemen, wie z. B. zum PEN-Leiter, getrennt werden.
Achtung:
In TT-Systemen ist vor dem Abtrennen der Erdungsanlage eine Freischaltung der elektrischen Anlagen notwendig. Ersatzweise kann für die Zeit der Messung, vor dem Trennen der Erdungsanlage, ein Ersatzerder mit einem ausreichend niedrigem Erdungswiderstand installiert werden, z. B. ein Kreuzerder werden. Ohne einen Ersatzerder wäre im TT-System die Wirksamkeit der Schutzmaßnahmen nicht mehr gewährleistet.
Bei der Durchgangsprüfung von Leitungen und Verbindungen wird nur die zu prüfende Verbindungsstelle geöffnet oder ersatzweise mit einer Prüfzange gemessen.
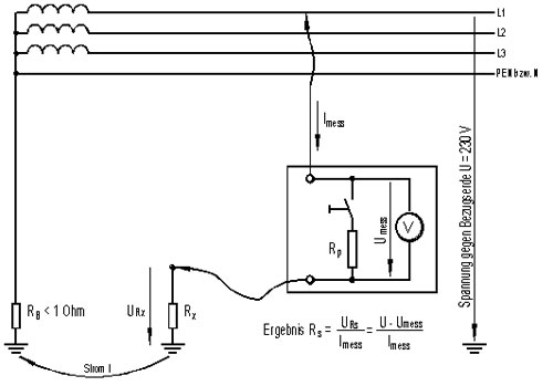
2. Erdungsmessung mit dem Schleifenwiderstandsmessgerät
In TN- und TT-Systemen kann das Messen des Ausbreitungswiderstandes von Erdern und Erdungsanlagen mit dem Schleifenwiderstandsmessgerät erfolgen (Bild 3). Bei Anlagen mit Fehlerstrom-Schutzeinrichtungen (RCDs) muss die Messspannung vor den Schutzeinrichtungen abgegriffen werden, weil ansonsten eine Auslösung durch den Messstrom beim Betätigen der Messtaste erfolgt. Bei neueren Messgeräten ist zum Teil auch eine Schleifenwiderstandsmessung ohne Auslösung der Fehlerstrom-Schutzeinrichtungen möglich.
Weil bei der Messung mit dem Schleifenwiderstandsmessgerät der Gesamtwiderstand RS der Netzschleife angezeigt wird, ist das Messergebnis nur dann hinreichend genau, wenn der zu messende Erdungswiderstand RX wesentlich größer ist, als der Widerstand des Betriebserders RB.

Bild 3: Prinzip der Erdungsmessung mit einem Schleifenwiderstandsmessgerät
Vorteil der Messmethode:
Zur Bestimmung des Ausbreitungswiderstandes RA einer Erdungsanlage müssen vorher alle Verbindungen an den Messstellen, am Potentialausgleich und zu sonstigen leitfähigen Systemen, wie z. B. zum PEN-Leiter, getrennt werden.
Achtung:
In TT-Systemen ist vor dem Abtrennen der Erdungsanlage eine Freischaltung der elektrischen Anlagen notwendig. Ersatzweise kann für die Zeit der Messung, vor dem Trennen der Erdungsanlage, ein Ersatzerder mit einem ausreichend niedrigem Erdungswiderstand installiert werden, z. B. ein Kreuzerder werden. Ohne einen Ersatzerder wäre im TT-System die Wirksamkeit der Schutzmaßnahmen nicht mehr gewährleistet.
Bei der Durchgangsprüfung von Leitungen und Verbindungen wird nur die zu prüfende Verbindungsstelle geöffnet oder ersatzweise mit einer Prüfzange gemessen.
2. Erdungsmessung mit dem Schleifenwiderstandsmessgerät
In TN- und TT-Systemen kann das Messen des Ausbreitungswiderstandes von Erdern und Erdungsanlagen mit dem Schleifenwiderstandsmessgerät erfolgen (Bild 3). Bei Anlagen mit Fehlerstrom-Schutzeinrichtungen (RCDs) muss die Messspannung vor den Schutzeinrichtungen abgegriffen werden, weil ansonsten eine Auslösung durch den Messstrom beim Betätigen der Messtaste erfolgt. Bei neueren Messgeräten ist zum Teil auch eine Schleifenwiderstandsmessung ohne Auslösung der Fehlerstrom-Schutzeinrichtungen möglich.
Weil bei der Messung mit dem Schleifenwiderstandsmessgerät der Gesamtwiderstand RS der Netzschleife angezeigt wird, ist das Messergebnis nur dann hinreichend genau, wenn der zu messende Erdungswiderstand RX wesentlich größer ist, als der Widerstand des Betriebserders RB.

Bild 3: Prinzip der Erdungsmessung mit einem Schleifenwiderstandsmessgerät
Vorteil der Messmethode:
- Es sind keine zusätzlichen Messsonden erforderlich.
- Es wird nicht der Ausbreitungswiderstand des Erders Rx gemessen, sondern der Widerstand der gesamten Netzschleife. Das abgelesene Messergebnis ist jedoch immer größer als der tatsächliche Ausbreitungswiderstand und liegt somit immer auf der sicheren Seite.
- Weil die Messung mit Netzfrequenz erfolgt, kann das Ergebnis durch im Erdreich vagabundierende 50 Hz-Wechselströme verfälscht werden.
3. Erdungsmessung mit dem Schleifenwiderstandsmessgerät im Erdungsmessbereich
Viele Geräte zur Schleifenwiderstandsmessung verfügen zusätzlich über einen oder mehrere Messbereiche zur Erdungsmessung.
Wichtig: Solange an die Geräte keine zusätzliche Sonde über einen dritten Anschluss angeschlossen wird, erfolgt die Messung als Schleifenwiderstandsmessung, in gleicher Weise und mit den gleichen Messfehlern wie es im vorstehenden Abschnitt beschrieben ist.
Beim Anschluss einer zusätzlichen Sonde wird die Spannung am Widerstand Rx gegen die Bezugserde gemessen. Daraus folgt, dass vom Messgerät nun nicht mehr der Widerstandwert der Netzschleife, sondern der Ausbreitungswiderstand für den Erder Rx direkt angezeigt wird.

Bild 0.1: Erdungsmessung mit Schleifenwiderstandsmessgerät im Erdungsmessbereich mit zusätzlicher Sonde
Das Ergebnis für den Widerstand Rx ist auch bei der Messung mit Sonde nur dann hinreichend genau, wenn sich diese außerhalb der Einflussbereiche anderer Erder befindet. Da für den Durchmesser des Spannungstrichters eines Erders ein Wert von mindestens 20 m angenommen wird, muss der Abstand der Sonde zu anderen Erdern - auch zu dem zu messenden - mindestens 20 m betragen. Bei umfangreicheren Erdungssystemen sind die genannten 20 m jedoch möglicherweise nicht ausreichend (siehe Prüfungen an Erdungs- und Potentialausgleichsanlagen Teil 2).
Vorteil der Messmethode mit Sonde:
Viele Geräte zur Schleifenwiderstandsmessung verfügen zusätzlich über einen oder mehrere Messbereiche zur Erdungsmessung.
Wichtig: Solange an die Geräte keine zusätzliche Sonde über einen dritten Anschluss angeschlossen wird, erfolgt die Messung als Schleifenwiderstandsmessung, in gleicher Weise und mit den gleichen Messfehlern wie es im vorstehenden Abschnitt beschrieben ist.
Beim Anschluss einer zusätzlichen Sonde wird die Spannung am Widerstand Rx gegen die Bezugserde gemessen. Daraus folgt, dass vom Messgerät nun nicht mehr der Widerstandwert der Netzschleife, sondern der Ausbreitungswiderstand für den Erder Rx direkt angezeigt wird.

Bild 0.1: Erdungsmessung mit Schleifenwiderstandsmessgerät im Erdungsmessbereich mit zusätzlicher Sonde
Das Ergebnis für den Widerstand Rx ist auch bei der Messung mit Sonde nur dann hinreichend genau, wenn sich diese außerhalb der Einflussbereiche anderer Erder befindet. Da für den Durchmesser des Spannungstrichters eines Erders ein Wert von mindestens 20 m angenommen wird, muss der Abstand der Sonde zu anderen Erdern - auch zu dem zu messenden - mindestens 20 m betragen. Bei umfangreicheren Erdungssystemen sind die genannten 20 m jedoch möglicherweise nicht ausreichend (siehe Prüfungen an Erdungs- und Potentialausgleichsanlagen Teil 2).
Vorteil der Messmethode mit Sonde:
- Das Ergebnis ist genauer als bei der Erdungsmessung mit dem Schleifenwiderstandsmessgerät ohne Sonde.
- Es ist eine zusätzliche Sonde in einem ausreichenden Abstand zu anderen Erdern (mindestens 20 m) notwendig. Dieses ist in dicht bebauten Gebieten nur schwer realisierbar.
- Weil die Messung mit Netzfrequenz erfolgt, kann das Ergebnis durch im Erdreich vagabundierende 50 Hz-Wechselströme verfälscht werden.