Veröffentlicht: 16. März 2005
Kategorie: Fachartikel
Drehstrom und Wechselstrom
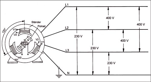
| Drehstrom Der Drehstrom (oder auch 3-phasiger Wechselstrom) wird in Generatoren erzeugt und in Leitungen an die Verbraucher elektrischer Energie herangeführt. Das Netz besteht aus den drei stromführenden Leitern L1, L2 und L3, sowie einem Neutralleiter N und Schutzleiter PE. In einem Drehstromnetz mit der Bezeichnung 400 V 3/N ~ 50 Hz, das in Europa am weitesten verbreitet ist, verhalten sich die Spannungen wie folgt: Zwischen den Leitern L1-L2, L2-L3 und L3-L1 herrschen jeweils 400 V, zwischen den Leitern L1-N, L2-N sowie L3-N jeweils 230 V (siehe Abb.1). ![]() Abb.1 |
Wechselstrom Der Wechselstrom (oder Einphasenstrom) ist eine Phase des Drehstromnetzes mit dem zugehörigen Neutralleiter N. Welche der drei Phasen als Wechselstromphase benutzt wird, ist ohne Bedeutung. In Abb. 1 sieht man, daß bei Vorhandensein eines Drehstromnetzes mit Neutralleiter N und einer Spannung von 400 V auch gleichzeitig ein Wechselstromnetz von 230 V zur Verfügung steht. Das Verhältnis der Spannungen zwischen den Phasen mit den Spannungen zwischen je einer Phase und dem Neutralleiter N wird durch den sogenannten Verkettungsfaktor ausgedrückt. Der Verkettungsfaktor errechnet sich aus: ![]() Dieser Verkettungsfaktor von 1,73 = √3 hat Gültigkeit für alle Drehstromnetze (3-phasige Wechselstromnetze mit Neutralleiter N, gleich welcher Nennspannung sie sind. |

